+7(8639) 24-18-11
+7(938)124-66-70
metalev@mail.ru
Главная
Компания
Контакты
Вакансии
Партнеры
Политика обработки персональных данных
Услуги
Монтажные работы
Ремонтные работы
Обслуживание газовых котельных
Промывка систем отопления
Тепловизионное обследование
Проектирование
Установка погодного регулирования ИТП
Сметы
Документация
Опросный лист по тепловому пункту
Форма обратной связи по промывке систем отопления.
Проекты
Новости
Поиск
Войти
Блок ГВС
Паспорт БТПА скачать
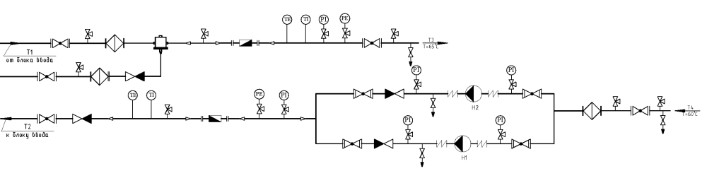
МЦЭ БТПА Блок ГВС закрытая схема с расходомерами
DWG
PDF
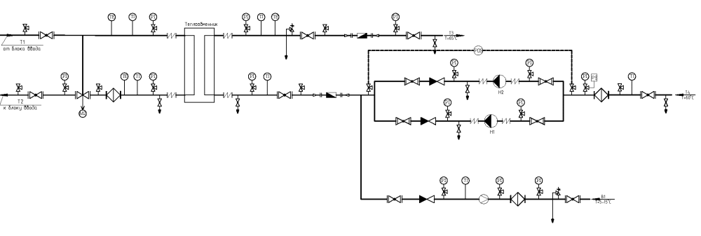
МЦЭ БТПА Блок ГВС закрытая схема
DWG
PDF
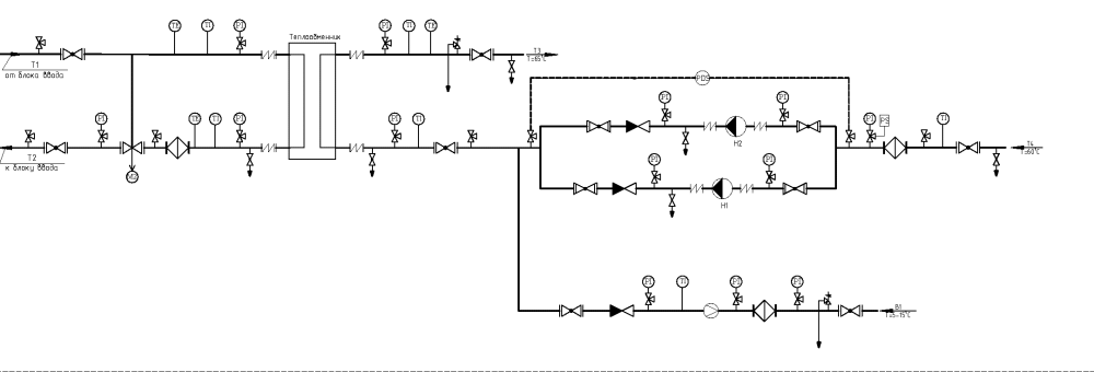
МЦЭ БТПА Блок ГВС открытая схема
DWG
PDF
Главная
Компания
Контакты
Вакансии
Партнеры
Политика обработки персональных данных
Услуги
Монтажные работы
Ремонтные работы
Тепловизионное обследование
Установка погодного регулирования ИТП
Обслуживание газовых котельных
Промывка систем отопления
Сметы
Проектирование
Документация
Опросный лист по тепловому пункту
Форма обратной связи по промывке систем отопления.
Проекты
Новости